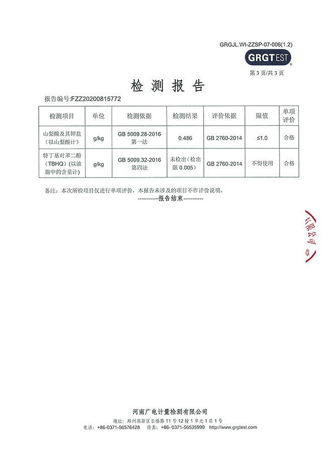
老式大辣片外檢 發布時間:2021-03-02作者:來源:洛陽源氏食品有限公司點擊:5430 上一篇:食品安全管理體系認證證書 下一篇:營業執照 分享到:0 用手機看 拍下二維碼,信息隨身看 試試用微信掃一掃,在你手機上繼續觀看此頁面。